You are here: Water Equipment > Using Clean Water Pipes, Splitters and Pumps

Using Clean Water Pipes, Splitters and Pumps

ClosedUsing Clean Water Pipes

Hover Over Image to Enlarge

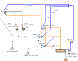
Clean water pipes are represented by two solid lines. Use clean water pipes to flow water from a clean water source through the plant and return recaptured water from the plant to the source.

Important Notes about Clean Water Pipes

 

ClosedUsing Water Splitters

Hover Over Image to Enlarge

Water Splitters are used to route and re-route clean water throughout the plant.

Important Notes about Water Splitters

 

ClosedUsing Water and Slurry Pumps

Important Notes about Pumps

ClosedAdjusting Pumps

Hover Over Image to Enlarge

Hover Over Image to Enlarge